TI M5 050 11 050

ITP P/N: TIM505011050 11

TI M5 050 11 050

ITP P/N: TIM505011050

59,00 €*

Versandfertig in 14 Tagen, Lieferzeit 1-3 Tage


Zu unserem Anfrageformular
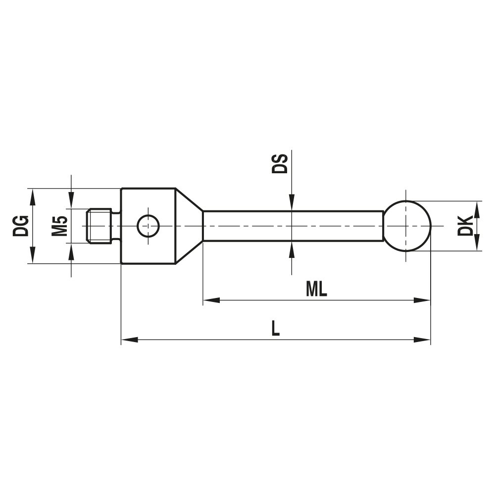
Gerade Taster; Grundkörper: Stahl; Schaft: Stahl; Kugel: Rubin
Gerader Taster im unteren Preissegment für den täglichen Standardeinsatz. Der Halter und der Schaft aus gehärtetem, rostfreiem Stahl gefertigt ermöglichen eine sehr hohe Steifigkeit bei etwas höherem Gewicht. Rubin gilt als Allroundmaterial für Taster in der taktilen 3D-Messtechnik. In dieser Kombination stehen Taster mit Rubinkugeln Ø5,0mm bis 8,0mm zur Auswahl. Andere Größen können über den Konfigurator oder per E-Mail angefragt werden.
Gewindegröße: M5
DK: 5.0
L: 50.0
DG: 11.0
ML: 40.0
DS: 3.5
Grundkörper Material: Stahl
Kugelmaterial: Rubin
Schaftmaterial: Stahl
Gewicht: 8.8
Zeichnung vom Produkt TI M5 050 11 050