TI M5 S80 11 114

ITP P/N: TIM5S8011114 11

TI M5 S80 11 114

ITP P/N: TIM5S8011114

97,00 €*

Sofort verfügbar, Versandfertig 1-3 Tage


Zu unserem Anfrageformular
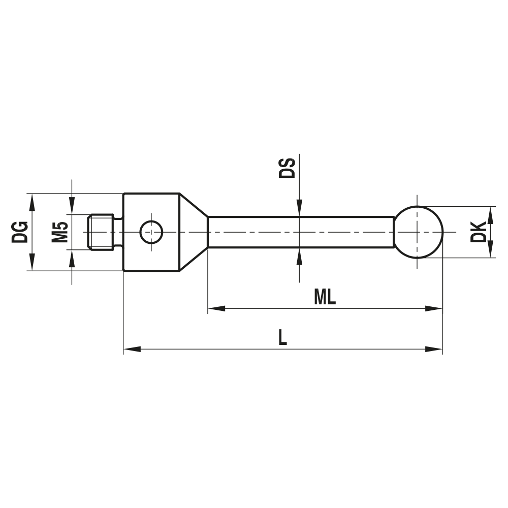
Gerade Taster; Grundkörper: Stahl; Schaft: Stahl; Kugel: Siliziumnitrid
Gerader Taster im unteren Preissegment für den täglichen Standardeinsatz. Der Halter und der Schaft aus gehärtetem, rostfreiem Stahl gefertigt ermöglichen eine sehr hohe Steifigkeit bei etwas höherem Gewicht. Die Kugeln aus Siliziumnitrid empfehlen sich besonders für das Scannen von Werkstücken aus unbehandeltem Aluminium. In dieser Kombination sind Taster mit Kugeln von Ø5,0mm bis Ø8,0mm erhältlich. Andere Größen können über den Konfigurator oder per E-Mail angefragt werden.
Gewindegröße: M5
DK: 8.0
L: 114.5
DG: 11.0
ML: 101.5
DS: 6.0
Grundkörper Material: Stahl
Kugelmaterial: Siliziumnitrid
Schaftmaterial: Stahl
Gewicht: 29
Zeichnung vom Produkt TI M5 S80 11 114