TK M2 030 03 051
ITP P/N:
TKM203003051
11
Passend zu Zeiss: 623062-3153-000
Passend zu Zeiss: 623062-3153-000
TK M2 030 03 051
ITP P/N:
TKM203003051
63,00 €*
Sofort verfügbar, Versandfertig 1-3 Tage
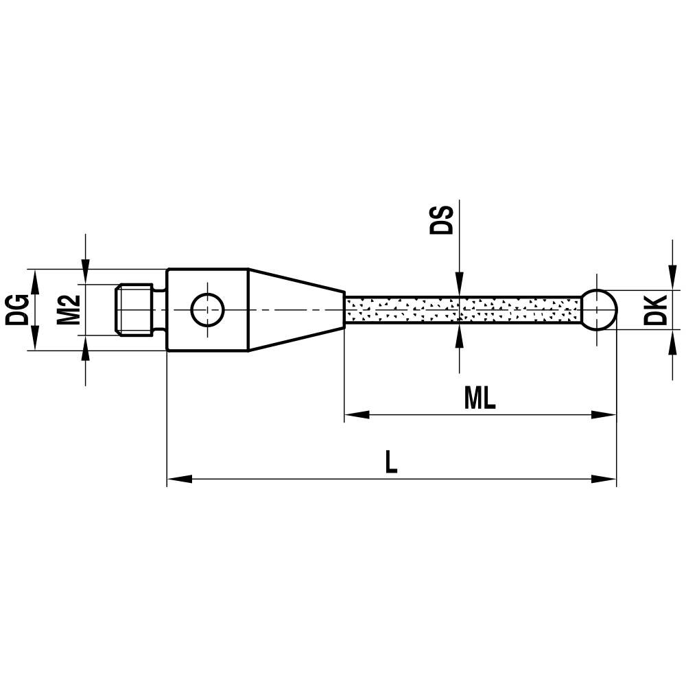
Gerade Taster; Grundkörper: Stahl; Schaft: Keramik; Kugel: Rubin
Gerader Taster für den täglichen Standardeinsatz.
Der Schaft aus Hochleistungskeramik zeichnet sich durch geringes Gewicht bei extremer Steifigkeit aus.
Für diese Taster werden Rubinkugeln höchster Qualität ab Ø3,0mm bis Ø6,0mm verwendet.
Weitere Abmessungen können über den Konfigurator oder per E-Mail angefragt werden
Gewindegröße: | M2 |
---|---|
DK: | 3.0 |
L: | 51.5 |
DG: | 3.0 |
ML: | 44.0 |
DS: | 2.0 |
Grundkörper Material: | Stahl |
Kompatibel mit: | Hexagon, Mitutoyo, Zeiss |
Kugelmaterial: | Rubin |
Schaftmaterial: | Keramik |
Gewicht: | 0.7 |
Zeiss Nr.: | 623062-3153-000 |
Renishaw-Nr.: | A-5003-0064 |
Hexagon-Nr.: | 03969223 |
Mitutoyo-Nr.: | K651270 |
