TK M2 S40 03 052
ITP P/N:
TKM2S4003052
11
TK M2 S40 03 052
ITP P/N:
TKM2S4003052
80,00 €*
Sofort verfügbar, Versandfertig 1-3 Tage
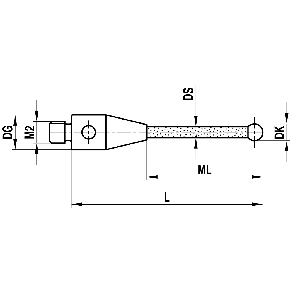
Gerade Taster; Grundkörper: Stahl; Schaft: Keramik; Kugel: Siliziumnitrid
Gerader Taster für den täglichen Standardeinsatz.
Der Schaft aus Hochleistungskeramik zeichnet sich durch geringes Gewicht bei extremer Steifigkeit aus.
Die Kugeln aus Siliziumnitrid empfehlen sich besonders für das Scannen von Werkstücken aus unbehandeltem Aluminium.
In dieser Produktgruppe finden Sie die Taster mit den Kugelgrößen von Ø3,0mm bis Ø5,0mm.
Weitere Abmessungen können über den Konfigurator oder per E-Mail angefragt werden.
| Gewindegröße: | M2 |
|---|---|
| DK: | 4.0 |
| L: | 52.0 |
| DG: | 3.0 |
| ML: | 44.5 |
| DS: | 2.0 |
| Grundkörper Material: | Stahl |
| Kugelmaterial: | Siliziumnitrid |
| Schaftmaterial: | Keramik |
| Gewicht: | 0.9 |
| Kompatibel mit: | Renishaw |
| Renishaw-Nr.: | A-5004-1519 |