WT M5 020 15 045
ITP P/N:
WTM502015045
11
Passend zu Zeiss: 602030-9026-000
Passend zu Zeiss: 602030-9026-000
WT M5 020 15 045
ITP P/N:
WTM502015045
120,00 €*
Sofort verfügbar, Versandfertig 1-3 Tage
Sterntaster; Grundkörper: Titan; Schaft: Hartmetall; Kugel: Rubin
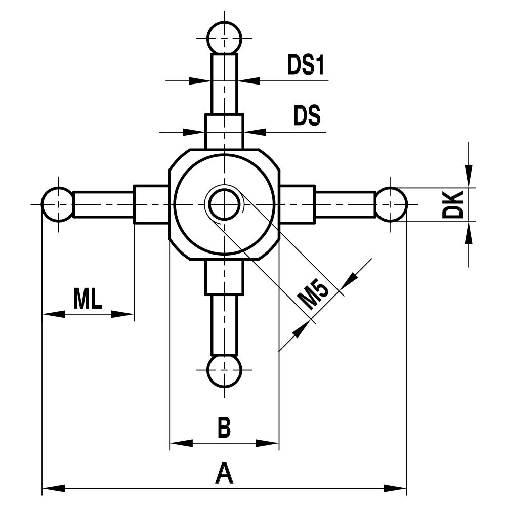
Zu den Sterntastern dieser Produktgruppe gehören Taster mit 4 Armen, die zum einen im 90°-Winkel zueinander und zum anderen im 90°-Winkel zur Schraubenachse angeordnet sind. Diese Taster werden oft auch als "Würfelsterntaster" bezeichnet. Es stehen Taster mit Rubinkugeln in den Größen von Ø 1,0 bis Ø 3,5 mm zur Verfügung.
| Gewindegröße: | M5 |
|---|---|
| DK: | 2.0 |
| ML: | 7.5 |
| DS: | 2.0 |
| DS (1): | 1.5 |
| A: | 45.0 |
| B: | 15.0 |
| Grundkörper Material: | Titan |
| Kugelmaterial: | Rubin |
| Schaftmaterial: | Hartmetall |
| Gewicht: | 17.3 |
| Kompatibel mit: | Renishaw, Zeiss |
| Zeiss Nr.: | 602030-9026-000 |
| Renishaw-Nr.: | A-5555-0071 |
| Name | Dateiname |
|---|---|
| CAD-Daten | WTM502015045.stp |